Запасные части ЧТЗ Запасные части ЧТЗ
Семей
Например:
Актобе
Алдан
или
Выбрать автоматически
Актобе
Алдан
Алматы
Алчевск
Архангельск
Астана
Астрахань
Атырау
Баку
Балашиха
Барнаул
Белгород
Бердянск
Бишкек
Владивосток
Владикавказ
Воркута
Воронеж
Горловка
Грозный
Донецк
Екатеринбург
Иваново
Ижевск
Иркутск
Казань
Калининград
Каменск-Уральский
Караганда
Каховка
Кемерово
Киров
Комсомольск-на-Амуре
Костанай
Краснодар
Красноярск
Красный луч
Ленск
Луганск
Магадан
Магнитогорск
Макеевка
Махачкала
Мелитополь
Минск
Мирный (Якутия)
Москва
Мурманск
Нерюнгри
Нижневартовск
Нижний Новгород
Нижний Тагил
Новая каховка
Новокузнецк
Новосибирск
Новый Уренгой
Норильск
Ноябрьск
Нур-Султан
Омск
Оренбург
Ош
Павлодар
Пермь
Петрозаводск
Петропавловск
Петропавловск-Камчатский
Псков
Ростов-на-Дону
Салехард
Самара
Санкт-Петербург
Саратов
Севастополь
Семей
Симферополь
Сочи
Ставрополь
Сургут
Сыктывкар
Тараз
Ташкент
Токмак
Томск
Тында
Тюмень
Ульяновск
Усинск
Усть-Каменогорск
Уфа
Хабаровск
Ханты-Мансийск
Херсон
Челябинск
Чита
Шымкент
Экибастуз
Энергодар
Южно-Сахалинск
Якутск
Ваш город
Семей
Войти
Запасные части к тракторам на одном сайте
+7 (932) 303-00-10
+7 (932) 303-00-10
г. Семей, ул. Оборонная, д. 63/1а
Пн-Пт: 9:30-18:30 Cб-Вс: Выходной
Отправить заявку


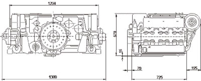
Двигатель 6Н 358


/
с НДС 20%
Описание
Дизельный двигатель 6Н 358 поставляется с приложенным одиночным комплектом ЗИП. На двигателе установлены:
  • система бесфорсуночного факельного подогрева впускного воздуха;
  • топливные фильтры;
  • полнопоточная масляная центрофуга;
  • стартерный электродвигатель;
  • генератор переменного тока с встроенным выпрямителем;
  • система воздушного пуска;
  • охладитель наддувочного воздуха;
  • топливоподкачивающий насос.
На двигателе предусмотрены места для установки и подсоединения:
  • компрессора высокого давления;
  • масляного насоса типа НШ.
Технические характеристики двигателя 6Н 358
Тип двигателя: четырехтактный, опозитный, 6-цилиндровый многотопливный дизельный двигатель жидкостного охлаждения с газотурбинным наддувом и промежуточным охлаждением наддувочного воздуха
Система смесеобразования непосредственный впрыск топлива
Мощность двигателя без сопротивлений на впуске и выпуске, кВт (л.с.) 335-375 (455-510)
Частота вращения, с-1 (об/мин) 33,3 (2000)
Запас по крутящему моменту, % 40
Удельный расход топлива, г/кВт*ч (г/л.с.*ч) 211 (155)
Масса, кг 885-960
Удельная мощность, кВт/кг (л.с./кг) 0,37-0,39 (0,51-0,53)
Диаметр цилиндра, мм 150,0
Ход поршня в цилиндре с главным шатуном, мм 160,0
Рабочий объем, л 16,95
Минимальная температура надежного пуска двигателя без предварительного разогрева с применением системы БФП, °С -20°C
Допустимые условия эксплуатации двигателей:
- температуры окружающего воздуха от -50°С до +50°С
- относительная влажность воздуха до 98% при 20°С
- высота над уровнем моря до 4500 м
Порядок чередования вспышек равномерный, через 120° поворота коленчатого вала
Степень уравновешенности полная динамическая уравновешенность

габаритные размеры двигателя 6Н 358
Двигатель 6Н 358