Запасные части ЧТЗ Запасные части ЧТЗ
Семей
Например:
Актобе
Алдан
или
Выбрать автоматически
Актобе
Алдан
Алматы
Алчевск
Архангельск
Астана
Астрахань
Атырау
Баку
Балашиха
Барнаул
Белгород
Бердянск
Бишкек
Владивосток
Владикавказ
Воркута
Воронеж
Горловка
Грозный
Донецк
Екатеринбург
Иваново
Ижевск
Иркутск
Казань
Калининград
Каменск-Уральский
Караганда
Каховка
Кемерово
Киров
Комсомольск-на-Амуре
Костанай
Краснодар
Красноярск
Красный луч
Ленск
Луганск
Магадан
Магнитогорск
Макеевка
Махачкала
Мелитополь
Минск
Мирный (Якутия)
Москва
Мурманск
Нерюнгри
Нижневартовск
Нижний Новгород
Нижний Тагил
Новая каховка
Новокузнецк
Новосибирск
Новый Уренгой
Норильск
Ноябрьск
Нур-Султан
Омск
Оренбург
Ош
Павлодар
Пермь
Петрозаводск
Петропавловск
Петропавловск-Камчатский
Псков
Ростов-на-Дону
Салехард
Самара
Санкт-Петербург
Саратов
Севастополь
Семей
Симферополь
Сочи
Ставрополь
Сургут
Сыктывкар
Тараз
Ташкент
Токмак
Томск
Тында
Тюмень
Ульяновск
Усинск
Усть-Каменогорск
Уфа
Хабаровск
Ханты-Мансийск
Херсон
Челябинск
Чита
Шымкент
Экибастуз
Энергодар
Южно-Сахалинск
Якутск
Ваш город
Семей
Войти
Запасные части к тракторам на одном сайте
+7 (932) 303-00-10
+7 (932) 303-00-10
г. Семей, ул. Оборонная, д. 63/1а
Пн-Пт: 9:30-18:30 Cб-Вс: Выходной
Отправить заявку


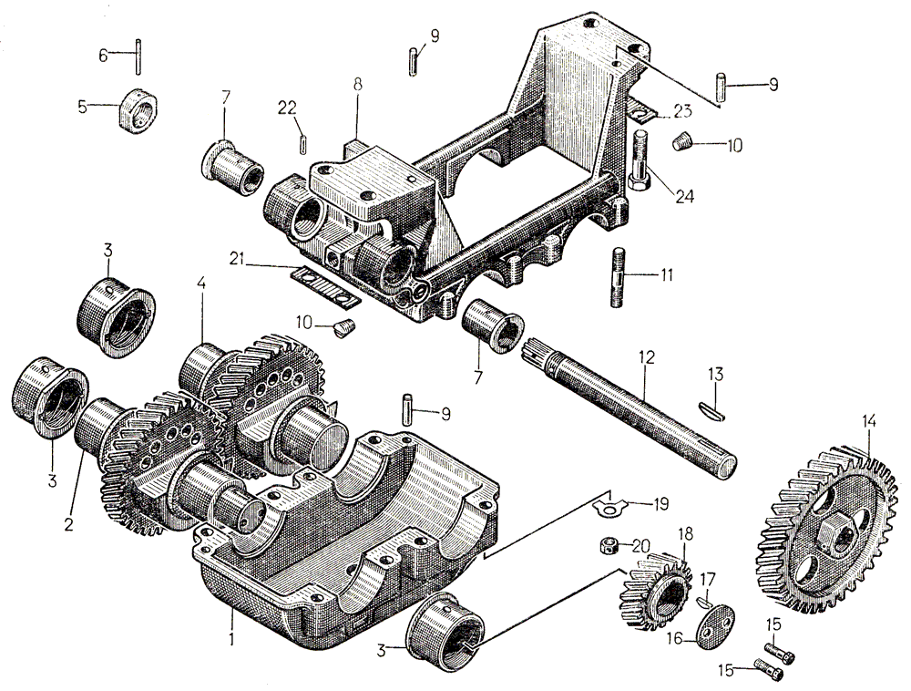
Уравновешивающий механизм на Т-130


/
с НДС 20%
Описание
Уравновешивающий механизм 51-66-1СП 1 на Т-130
# Номер запчасти Наименование детали Кол-во в сборке
51-66-103СП Корпус 1
51-66-104СП 2 Корпус 1
51-66-106СП Валик 1
1 51-66-2 3 Поддон 1
2 51-66-26 Противовес 1
3 51-66-3 2 Втулка 4
4 51-66-27 Противовес 1
5 29-09-51 Кольцо 1
6 700-32-2186 Штифт 1
7 51-66-19 3 Втулка 2
8 51-66-16 2 Корпус 1
9 32211 Штифт 2
10 37102 Пробка 6
11 700-29-2353 Шпилька 8
12 51-66-22 Валик 1
13 700-34-2029 Шпонка 1
14 51-66-23 Шестерня 1
15 28473 Болт 2
16 51-66-12 Шайба 1
17 700-34-2051 Шпонка 1
18 51-66-11 Шестерня 1
19 700-31-2337 Шайба 8
20 Гайка М12×1.25.6.019 8
21 700-31-2527 Пластина 1
22 32336 Штифт 2
23 700-31-2546 Пластина 1
24 28639 Болт 4
1 Кроме болотоходных тракторов.
2 Отдельно не поставляется, заказывать комплект 51-66-103СП.
3 При необходимости заказывать ремонтные детали.
Уравновешивающий механизм