Запасные части ЧТЗ Запасные части ЧТЗ
Семей
Например:
Актобе
Алдан
или
Выбрать автоматически
Актобе
Алдан
Алматы
Алчевск
Архангельск
Астана
Астрахань
Атырау
Баку
Балашиха
Барнаул
Белгород
Бердянск
Бишкек
Владивосток
Владикавказ
Воркута
Воронеж
Горловка
Грозный
Донецк
Екатеринбург
Иваново
Ижевск
Иркутск
Казань
Калининград
Каменск-Уральский
Караганда
Каховка
Кемерово
Киров
Комсомольск-на-Амуре
Костанай
Краснодар
Красноярск
Красный луч
Ленск
Луганск
Магадан
Магнитогорск
Макеевка
Махачкала
Мелитополь
Минск
Мирный (Якутия)
Москва
Мурманск
Нерюнгри
Нижневартовск
Нижний Новгород
Нижний Тагил
Новая каховка
Новокузнецк
Новосибирск
Новый Уренгой
Норильск
Ноябрьск
Нур-Султан
Омск
Оренбург
Ош
Павлодар
Пермь
Петрозаводск
Петропавловск
Петропавловск-Камчатский
Псков
Ростов-на-Дону
Салехард
Самара
Санкт-Петербург
Саратов
Севастополь
Семей
Симферополь
Сочи
Ставрополь
Сургут
Сыктывкар
Тараз
Ташкент
Токмак
Томск
Тында
Тюмень
Ульяновск
Усинск
Усть-Каменогорск
Уфа
Хабаровск
Ханты-Мансийск
Херсон
Челябинск
Чита
Шымкент
Экибастуз
Энергодар
Южно-Сахалинск
Якутск
Ваш город
Семей
Войти
Запасные части к тракторам на одном сайте
+7 (932) 303-00-10
+7 (932) 303-00-10
г. Семей, ул. Оборонная, д. 63/1а
Пн-Пт: 9:30-18:30 Cб-Вс: Выходной
Отправить заявку


Управление двигателем на Т-130


/
с НДС 20%
Описание
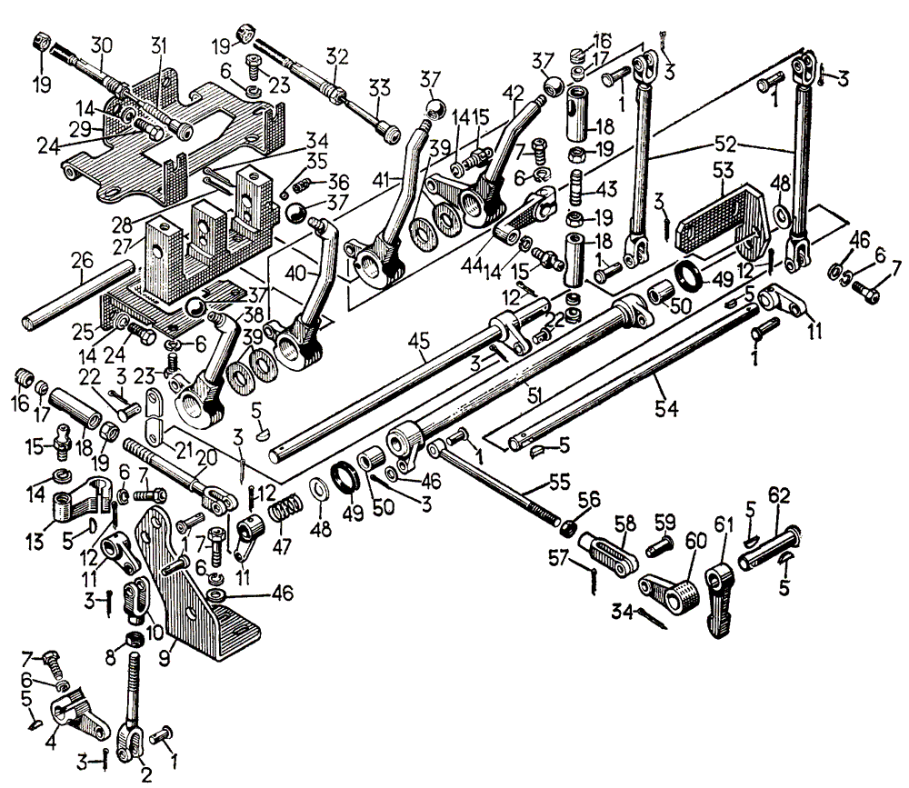
Управление двигателем 51-74-3СП на Т-130
# Номер запчасти Наименование детали Кол-во в сборке
74107СП Муфточка 2
16-74-185СП Тяга 1
16-74-196СП Тяга 1
24-12-106СП Тяга 1
51-74-128СП Блок управления 1
51-74-130СП Мостик переходной 1
51-74-133СП Тяга 1
51-74-137СП Валик 1
51-74-139СП Тяга 1
51-74-140СП Тяга 1
1 700-47-2045 Ось 8
2 51-74-134СП Тяга 1
3 Шплинт 2,5×25 10
4 17-74-43 Рычаг 1
5 700-34-2014 Шпонка 6
6 Шайба 10ОТ 65Г 09 7
7 Болт М10×30.58.019 7
8 Гайка М10.6.019 1
9 51-74-50 Кронштейн 1
10 24-74-98 Вилка 1
11 51-74-7 Рычаг 3
12 Шплинт 3,2×40 4
13 51-74-74 Рычаг 1
14 Шайба 12ОТ 65Г 09 7
15 74109 Палец 3
16 74157 Пробка 3
17 74111 Вкладыш 3
18 74156 Корпус 3
19 Гайка М12×1,25.6.019 2
20 16-74-189СП Тяга 1
21 51-74-46 Тяга 1
22 700-47-2075 Ось 2
23 Болт М10×20.58.019 4
24 Болт М12×30.58.019 4
25 51-74-123СП Кронштейн 1
26 700-47-2104 Ось 1
27 51-74-38 Кронштейн 1
28 Шплинт 4×40 1
29 51-74-129СП Кронштейн 1
30 16-74-205СП Оболочка 1
31 16-74-182СП Тяга 1
32 16-74-181СП Оболочка 1
33 16-74-183СП Тяга 1
34 Шплинт 5×50 2
35 Шарик BV-10 mm Н 3
36 38506 Пружина 1
37 Ручка 409474.001-03 4
38 51-74-163СП Рычаг 1
39 18-74-122 Прокладка 12
40 51-74-164СП Рычаг 1
41 51-74-162СП Рычаг 1
42 51-74-161СП Рычаг 1
43 700-29-2142 Шпилька 1
44 16-04-23 Рычаг 1
45 51-74-135СП Валик 1
46 31308 Шайба 5
47 38356 Пружина 1
48 51-74-33 Упор 2
49 700-77-84-01 Сальник 2
50 16-74-98 Втулка 2
51 51-74-138СП Валик 1
52 51-74-131СП Тяга 2
53 51-74-136СП Кронштейн 1
54 51-74-48 Валик 1
55 24-12-6 Тяга 1
56 700-30-2099 Гайка 1
57 Шплинт 3,2×25 1
58 21-12-21 Вилка 1
59 17317 Палец 1
60 21-74-1 Рычаг 1
61 51-74-2 Рычаг 1
62 51-74-10 Валик 1
Управление двигателем