Запасные части ЧТЗ Запасные части ЧТЗ
Семей
Например:
Актобе
Алдан
или
Выбрать автоматически
Актобе
Алдан
Алматы
Алчевск
Архангельск
Астана
Астрахань
Атырау
Баку
Балашиха
Барнаул
Белгород
Бердянск
Бишкек
Владивосток
Владикавказ
Воркута
Воронеж
Горловка
Грозный
Донецк
Екатеринбург
Иваново
Ижевск
Иркутск
Казань
Калининград
Каменск-Уральский
Караганда
Каховка
Кемерово
Киров
Комсомольск-на-Амуре
Костанай
Краснодар
Красноярск
Красный луч
Ленск
Луганск
Магадан
Магнитогорск
Макеевка
Махачкала
Мелитополь
Минск
Мирный (Якутия)
Москва
Мурманск
Нерюнгри
Нижневартовск
Нижний Новгород
Нижний Тагил
Новая каховка
Новокузнецк
Новосибирск
Новый Уренгой
Норильск
Ноябрьск
Нур-Султан
Омск
Оренбург
Ош
Павлодар
Пермь
Петрозаводск
Петропавловск
Петропавловск-Камчатский
Псков
Ростов-на-Дону
Салехард
Самара
Санкт-Петербург
Саратов
Севастополь
Семей
Симферополь
Сочи
Ставрополь
Сургут
Сыктывкар
Тараз
Ташкент
Токмак
Томск
Тында
Тюмень
Ульяновск
Усинск
Усть-Каменогорск
Уфа
Хабаровск
Ханты-Мансийск
Херсон
Челябинск
Чита
Шымкент
Экибастуз
Энергодар
Южно-Сахалинск
Якутск
Ваш город
Семей
Войти
Запасные части к тракторам на одном сайте
+7 (932) 303-00-10
+7 (932) 303-00-10
г. Семей, ул. Оборонная, д. 63/1а
Пн-Пт: 9:30-18:30 Cб-Вс: Выходной
Отправить заявку


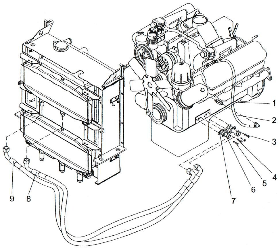
Система смазки двигателя ПК46


/
с НДС 20%
Описание
ПК46.38.00.000 Система смазки двигателя ПК46
Поз. Обозначение Наименование Кол. Масса
1 ПК46.38.00.001 Штуцер 1 0,1
2 РВД 6.84.1300.0,1.11-90°/11-90°.
М16×1,5/М16×1,5-У1 ТУ-3148-001-20871731-94
1 1,1
3 ПК46.38.00.010-01 Штуцер 1 0,25
4 Шайба 8.65Г.019 ГОСТ 6402-70 4 0,001
5 БОЛТ M8-6g×20.58.019 (S13) ГОСТ 7798-70 4 0,014
6 ПК46,38.00.010 Штуцер 1 0,15
7 КБ11.38.00.001 Прокладка 2 •0,01
8 РНД 16.16.1500.0,13.11-90711-90°.
М27×1,5/М27×1,5-У1-90° ТУ 3148-001-20871731-94
1 1,06
9 РНД 16.16.1700.0,13.11-90711-90°.
М27×1,5/М27×1,5-У1-90° ТУ 3148-001-20871731-94
1 1,19
Общий вес, кг 3,5
Система смазки двигателя