Запасные части ЧТЗ Запасные части ЧТЗ
Семей
Например:
Актобе
Алдан
или
Выбрать автоматически
Актобе
Алдан
Алматы
Алчевск
Архангельск
Астана
Астрахань
Атырау
Баку
Балашиха
Барнаул
Белгород
Бердянск
Бишкек
Владивосток
Владикавказ
Воркута
Воронеж
Горловка
Грозный
Донецк
Екатеринбург
Иваново
Ижевск
Иркутск
Казань
Калининград
Каменск-Уральский
Караганда
Каховка
Кемерово
Киров
Комсомольск-на-Амуре
Костанай
Краснодар
Красноярск
Красный луч
Ленск
Луганск
Магадан
Магнитогорск
Макеевка
Махачкала
Мелитополь
Минск
Мирный (Якутия)
Москва
Мурманск
Нерюнгри
Нижневартовск
Нижний Новгород
Нижний Тагил
Новая каховка
Новокузнецк
Новосибирск
Новый Уренгой
Норильск
Ноябрьск
Нур-Султан
Омск
Оренбург
Ош
Павлодар
Пермь
Петрозаводск
Петропавловск
Петропавловск-Камчатский
Псков
Ростов-на-Дону
Салехард
Самара
Санкт-Петербург
Саратов
Севастополь
Семей
Симферополь
Сочи
Ставрополь
Сургут
Сыктывкар
Тараз
Ташкент
Токмак
Томск
Тында
Тюмень
Ульяновск
Усинск
Усть-Каменогорск
Уфа
Хабаровск
Ханты-Мансийск
Херсон
Челябинск
Чита
Шымкент
Экибастуз
Энергодар
Южно-Сахалинск
Якутск
Ваш город
Семей
Войти
Запасные части к тракторам на одном сайте
+7 (932) 303-00-10
+7 (932) 303-00-10
г. Семей, ул. Оборонная, д. 63/1а
Пн-Пт: 9:30-18:30 Cб-Вс: Выходной
Отправить заявку


Рама трактора на ДЭТ-250


/
с НДС 20%
Описание
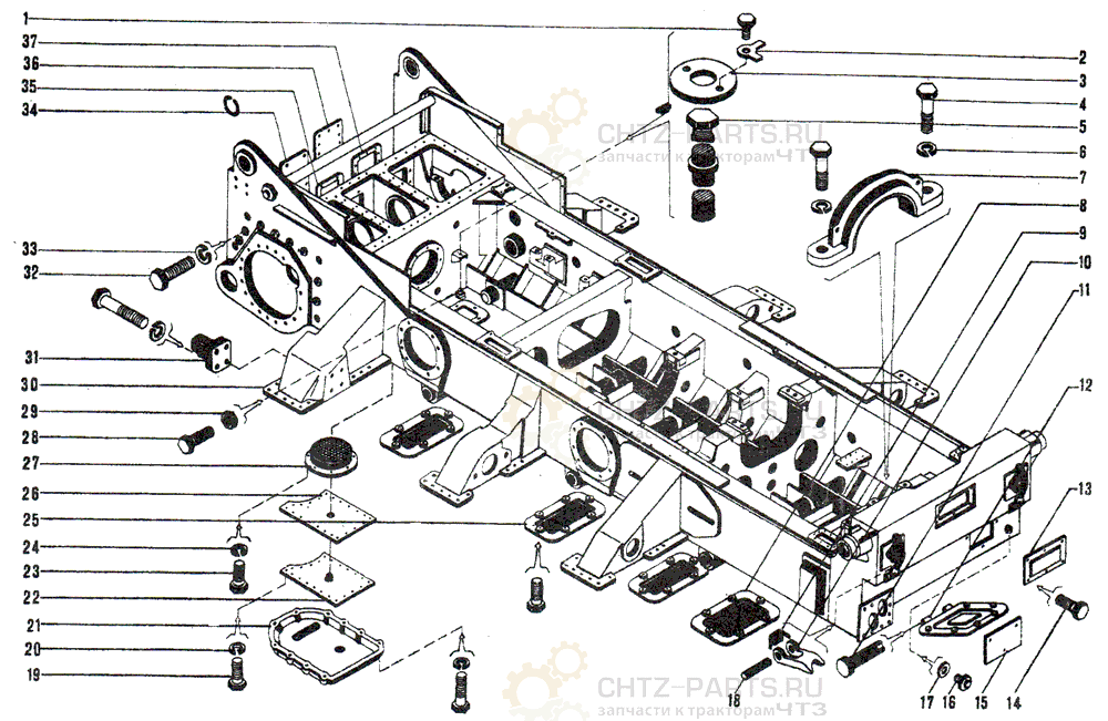
748-20-19СП Рама трактора ДЭТ-250
Поз. Обозначение Наименование Кол-во Масса
1 ГОСТ 7798—70 Болт М6×20.46.019 4
2 700-31-2490 Шайба 2 0,002
3 748-20-528 Фланец 2 0.18
4 700-28-2345 Болт 8
5 748-20-232СП Ручка 2 1,05
6 ГОСТ 6402—70 Шайба 20 ОТ 65Г 09 8
7 748-20-44 Бугель 1 3,2
8 748-20-312СП Крышка 1 15
9 700-38-2795 Пружина 2 0,05
10 272-50-458 Защелка 2 0,35
11 748-20-518 Ось 2 0,58
12 748-20-229СП Крышка 1 20,8
13 748-20-340СП Крышка 1 7,9
14 ГОСТ 7796—70 Болт М10×25.46.019 44
15 748-20-339СП Крышка 2 4,12
16 700-37-2242 Пробка 7 0,12
17 700-40-260-19 Прокладка 7 0,0013
18 748-20-1024 Валик 2 0,08
19 ГОСТ 7796—70 Болт М10×30.46.019 20
20 ГОСТ 6402—70 Шайба 10 ОТ 65Г 06 20
21 748-20-618 Крышка 1 16,5
22 748-20-342СП Крышка 1 6,2
23 ГОСТ 7796—70 Болт М8×16.46.019 8
24 ГОСТ 6402—70 Шайба 8T 65Г 06 8
25 748-20-313СП Крышка 4 13,4
26 748-20-891 Прокладка 1 0,012
27 748-20-327СП Сетка 1 0,382
28 ГОСТ 1481—75 Винт М8×20.66 2
29 ГОСТ 5915—70 Гайка М8.6.019 1
30 748-20-344СП Рама 1 5231
31 748-20-933 Очиститель 2 6,8
32 700-28-2312 Болт 18 0,56
33 ГОСТ 6402—70 Шайба 30HT 65Г 09 18
34 748-20-294 Крышка 2 3,95
35 748-20-296 Прокладка 2 0,0243
36 748-20-247СП Крышка 1 3,9
37 748-20-297 Прокладка 1 0,02
Рама трактора