Запасные части ЧТЗ Запасные части ЧТЗ
Семей
Например:
Актобе
Алдан
или
Выбрать автоматически
Актобе
Алдан
Алматы
Алчевск
Архангельск
Астана
Астрахань
Атырау
Баку
Балашиха
Барнаул
Белгород
Бердянск
Бишкек
Владивосток
Владикавказ
Воркута
Воронеж
Горловка
Грозный
Донецк
Екатеринбург
Иваново
Ижевск
Иркутск
Казань
Калининград
Каменск-Уральский
Караганда
Каховка
Кемерово
Киров
Комсомольск-на-Амуре
Костанай
Краснодар
Красноярск
Красный луч
Ленск
Луганск
Магадан
Магнитогорск
Макеевка
Махачкала
Мелитополь
Минск
Мирный (Якутия)
Москва
Мурманск
Нерюнгри
Нижневартовск
Нижний Новгород
Нижний Тагил
Новая каховка
Новокузнецк
Новосибирск
Новый Уренгой
Норильск
Ноябрьск
Нур-Султан
Омск
Оренбург
Ош
Павлодар
Пермь
Петрозаводск
Петропавловск
Петропавловск-Камчатский
Псков
Ростов-на-Дону
Салехард
Самара
Санкт-Петербург
Саратов
Севастополь
Семей
Симферополь
Сочи
Ставрополь
Сургут
Сыктывкар
Тараз
Ташкент
Токмак
Томск
Тында
Тюмень
Ульяновск
Усинск
Усть-Каменогорск
Уфа
Хабаровск
Ханты-Мансийск
Херсон
Челябинск
Чита
Шымкент
Экибастуз
Энергодар
Южно-Сахалинск
Якутск
Ваш город
Семей
Войти
Запасные части к тракторам на одном сайте
+7 (932) 303-00-10
+7 (932) 303-00-10
г. Семей, ул. Оборонная, д. 63/1а
Пн-Пт: 9:30-18:30 Cб-Вс: Выходной
Отправить заявку


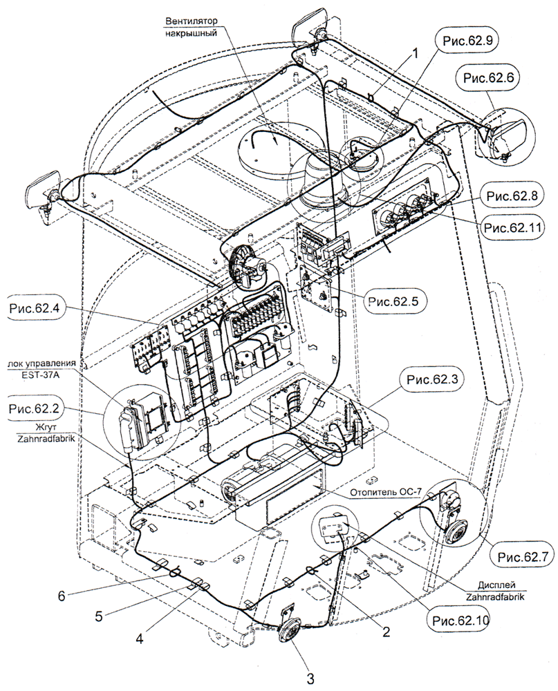
Электрооборудование кабины ПК46


/
с НДС 20%
Описание
ПК46.41.01.000 Электрооборудование кабины ПК46
Поз. Обозначение Наименование Кол.
1 Стяжка (Хомут) K-120SB 10
2 Стяжка (Хомут) К-075В 15
3 Сигнал звуковой С313 ТУ 37.003.688-75 1
4 ПК46.41.01.015 Прокладка 20
5 027.36.11.635 Хомут 6
6 Стяжка (Хомут) К-250МВ 10


Рис. 62.2. Скоба и прокладка ПК46

7 ПК46.41.01.009 Скоба 1
8 ПК46.41.01.008 Прокладка 1


Рис. 62.3. Планка ПК46

9 ПК46.41.01.050-01 Планка в сборе 1
10 ПК46.41.01.050 Планка в сборе 1


Рис. 62.4. Реле ПК46

11 Реле электромагнитное 901.3747 ТУ 37.003.1418-94 7
12 Реле прерывистой сигнализации РПС24.2 ГОСТ3940-84 1
13 Вставка плавкая ПВ-10 ТУ16.522.001-82 3
14 Вставка плавкая ПВ-30 ТУ16.522.001-82 4
15 Шайба С.6.02.019 ГОСТ 11371-78 45
16 Болт М6-6g×16.58.019 (S10) ГОСТ 7798-70 33
17 Шайба 6.65Г.019 ГОСТ 6402-70 45
18 Вставка плавкая ПВ-2 ТУ16.522.001-82 4
19 Вставка плавкая ПВ-50 ТУ16.522.001-82 1
20 ПК46.41.01.010 Лист в сборе 1
21 ПК46.41.01.020 Лист в сборе 1
22 Винт В.М4-6g×10.58.019 ГОСТ 17473-80 16
23 Шайба 4.65Г.019 ГОСТ 6402-70 16
24 Шайба С.4.02.019 ГОСТ 11371-78 16
25 Пластина диодов ВДС25.41.01.100 2


Рис. 62.5. Щитки ПК46

26 Винт В.М4-6g×16.58.059 ГОСТ 17473-80 4
27 Шайба 4.65Г.059 ГОСТ 6402-70 4
28 Шайба С.4.02.059 ГОСТ 11371-78 4
29 Щиток управления для ПЖД-30 ПУ30.1 РИВП.453835.001 ТУ 1
30 ПК46.41.01.030 Щиток переключателей 1
31 Винт В2.М6-6g×16.58.019 ГОСТ 17475-80 4


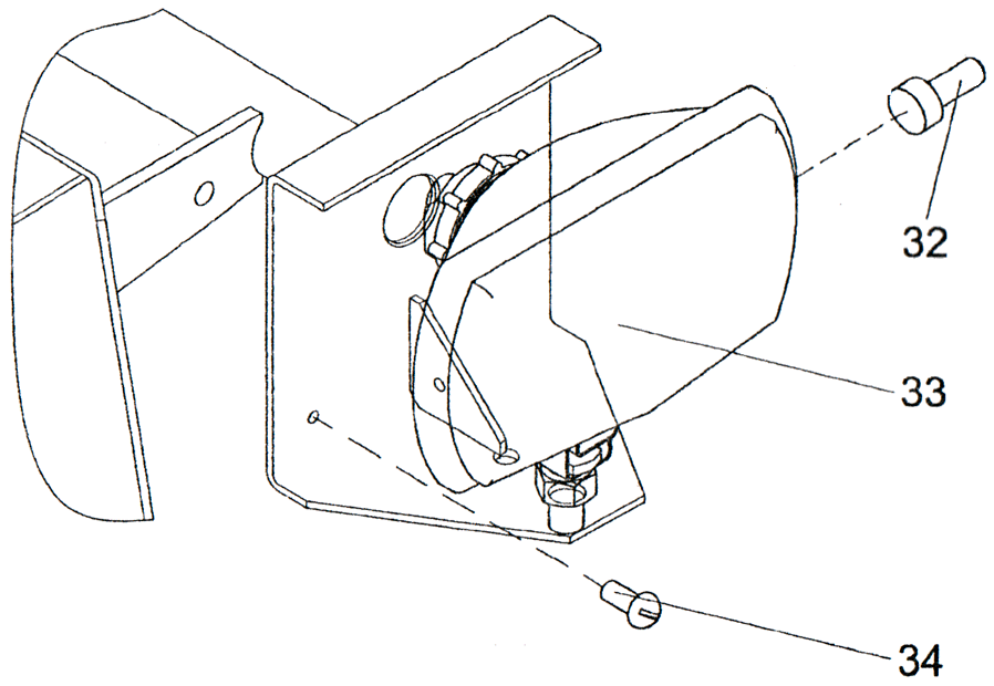
Рис. 62.6. Фара ПК46

32 Лампа АКГ 24-70 (ИЗ) ГОСТ 2023.1-88 4
33 Фара рабочая 8724.304/301 4
34 Винт В.М6-6g×10.58.019 ГОСТ 17473-80 6


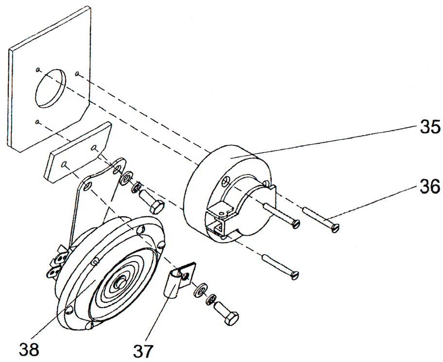
Рис. 62.7. Сигнал и розетка ПК46

35 Розетка ПС-400 ТУ 16-93ИЖЦМ.43.4434.002 ТУ 1
36 Винт В2.М4-6g×30.58.019 ГОСТ 17475-80 3
37 027.36 11.517 Хомут 2
38 Сигнал звуковой С314 ТУ 37.003.688-75 1


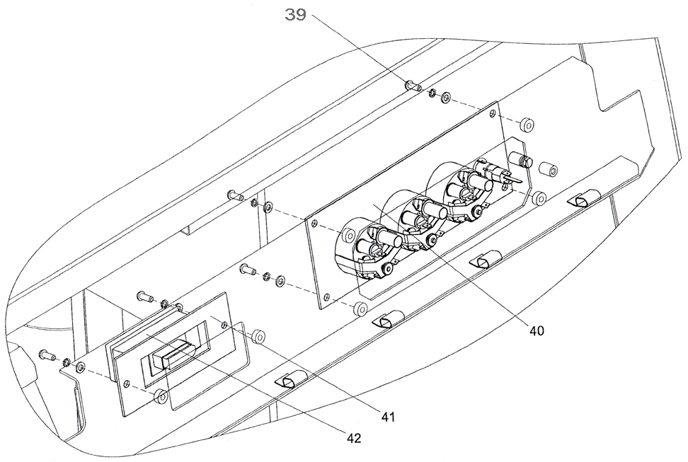
Рис. 62.8. Щиток приборов ПК46

39 Винт В.М6-6g×16.58.019 ГОСТ 17473-80
6
40 ПК46.41.01.040 Щиток приборов 1
41 ПК46.41.01.005 Планка 1
42 Блок контрольных ламп БКЛ10.1-03 РИВП.453687.003-03ТУ 1


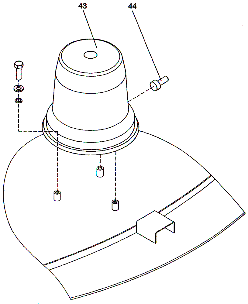
Рис. 62.11. Маяк проблесковый ПК46

43 Маяк проблесковый "Спектр24М" ТУ4573-028-36904622-02 1
44 Лампа АКГ 24-70 (Н1) ГОСТ 2023.1-88 1


Рис. 62.10. Гайка ПК46

45 Гайка М6-6Н.5.019 (S10) ГОСТ 5916-70 2


Рис. 62.9. Плафон ПК46

46 Плафон ПТ-37-ЗМ 1
47 Лампа А 24-21-3 (P21W) ГОСТ 2023.1-88 1


Рис. 62.12. Колонка управления ПК46

48 Колонка управления HP-KP.24V-001 1
49 Приемник указателя уровня топлива УБ-170М ТУ37.003.614-79 1
50 Приемник указателя температуры 36.3807 ОСТ 37.003 076-86 1
51 Тахометр 253.3813 ТУ37.003.1251-85 1
52 Приемник указателя давления 33.3810 ОСТ 37.003.703-79 1
53 Счетчик моточасов / вольтметр УК34.2 РИВП.454381.001 ТУ 1
54 Патрон лампы ЛВ211-3714.329 ТУ37.003.689-75 5
55 Лампа А 24-1 ГОСТ 2023.1-88 5
Электрооборудование кабины