Запасные части ЧТЗ Запасные части ЧТЗ
Семей
Например:
Актобе
Алдан
или
Выбрать автоматически
Актобе
Алдан
Алматы
Алчевск
Архангельск
Астана
Астрахань
Атырау
Баку
Балашиха
Барнаул
Белгород
Бердянск
Бишкек
Владивосток
Владикавказ
Воркута
Воронеж
Горловка
Грозный
Донецк
Екатеринбург
Иваново
Ижевск
Иркутск
Казань
Калининград
Каменск-Уральский
Караганда
Каховка
Кемерово
Киров
Комсомольск-на-Амуре
Костанай
Краснодар
Красноярск
Красный луч
Ленск
Луганск
Магадан
Магнитогорск
Макеевка
Махачкала
Мелитополь
Минск
Мирный (Якутия)
Москва
Мурманск
Нерюнгри
Нижневартовск
Нижний Новгород
Нижний Тагил
Новая каховка
Новокузнецк
Новосибирск
Новый Уренгой
Норильск
Ноябрьск
Нур-Султан
Омск
Оренбург
Ош
Павлодар
Пермь
Петрозаводск
Петропавловск
Петропавловск-Камчатский
Псков
Ростов-на-Дону
Салехард
Самара
Санкт-Петербург
Саратов
Севастополь
Семей
Симферополь
Сочи
Ставрополь
Сургут
Сыктывкар
Тараз
Ташкент
Токмак
Томск
Тында
Тюмень
Ульяновск
Усинск
Усть-Каменогорск
Уфа
Хабаровск
Ханты-Мансийск
Херсон
Челябинск
Чита
Шымкент
Экибастуз
Энергодар
Южно-Сахалинск
Якутск
Ваш город
Семей
Войти
Запасные части к тракторам на одном сайте
+7 (932) 303-00-10
+7 (932) 303-00-10
г. Семей, ул. Оборонная, д. 63/1а
Пн-Пт: 9:30-18:30 Cб-Вс: Выходной
Отправить заявку


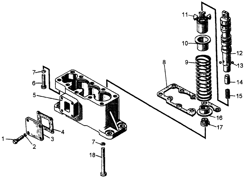
Нижняя крышка гидрораспределителя на Т10М / Б10М


/
с НДС 20%
Описание
Нижняя крышка гидрораспределителя на Т10М
# Номер запчасти Наименование детали Кол-во в сборке
- 50-26-61СП Гидрораспределитель. Крышка нижняя 1
1 - Болт М8-6g×16.58.019 14
2 - Шайба 8Т 65Г 09 4
3 50-26-751 Крышка 1
4 700-40-8295 Прокладка 2
5 50-26-748 Крышка нижняя 1
6 - Болт M10-6g×45.58.019 2
7 - Шайба 10 ОТ 65Г 09 10
а 700-40-8298 Прокладка 1
9 38423 Пружина золотника 3
10 50-26-755 Стакан верхний 1
11 50-26-753 Обойма фиксатора 3
12 50-26-749-1 Золотник 3
13 - Шарик Б 8-200 15
14 50-26-752 Втулка фиксатора 3
15 700-38-2973 Пружина фиксатора 3
16 50-26-754 Стакан нижний 1
17 700-37-2267 Пробка золотника 3
18 - Болт М10-6g×120.58.019 8
Нижняя крышка гидрораспределителя